Bug- & Heckstrahlruder
SAC320 Tunnel Strahlruder ø300mm 400V
320/280kg thrust, horizontal install
-
S-LINK™
S-Link™ ist ein CAN-basiertes Steuersystem zur Kommunikation zwischen auf einem Schiff installierten Sleipner-Produkten.
- Kompakte und wasserdichte Stecker
- Schlüssel- und farbcodierte Anschlüsse für eine korrekte und einfache Installation
- Verschiedene Kabellängen, Verlängerungen und T-Verbinder machen das System skalierbar und flexibel in der Installation
-
Q-PROP™
Das Q-PROP™ hat in kontrollierten Umgebungen eine Lärmminderung von bis zu 75% gemessen. Der fünfflügelige Skew-Propeller reduziert die Geräuschpegel bei gleichzeitiger außergewöhnlicher Effizienz. Einige Antriebsmodelle verzeichnen sogar eine Leistungssteigerung des Schubs.
- Die erwartete Geräuschreduzierung bei durchschnittlichen Installationen: 20-40%.
- Upgrade-Kits sind für die meisten Sleipner-Antriebsmodelle mit speziellen Adaptern erhältlich.
-
PRO™
anzuwenden. Die variable Geschwindigkeitssteuerung eliminiert das mit Standard-Ein/Aus-Antrieben verbundene Geräusch.
Das System umfasst auch eine praktische Haltefunktion. In einem Doppelsystem (Bug und Heck) hält ein einziger Knopfdruck das Boot am Steg - so wird das Anlegen zu einer Aufgabe für eine Person.
Geschwindigkeitsgeregelte Antriebe sind die beste Wahl für die Joystick-Interaktion.
-
FLEXIBLE INSTALLATION
Sleipner bietet Installationsflexibilität, um mit dem verfügbaren Platz zu arbeiten. Unsere Antriebsmodelle ermöglichen eine Installation in jedem Winkel am Tunnel und passen sich an den verfügbaren Raum in Ihrem Schiff an.
-
GALVANIC SEPARATION
Eingetauchte Teile, die Meerwasser ausgesetzt sind, sind galvanisch vom bordeigenen elektrischen System isoliert, wodurch Streuströme eliminiert werden.
-
SEALED DRIVE LUBRICATION
Das Getriebe des Antriebs ist vorgefüllt für eine lebenslange Schmierung und wird mit einer langlebigen mechanischen Dichtung mit Keramik- und Kohlenstoffflächen abgedichtet, um höchsten Schutz vor Wassereintritt zu gewährleisten.
-
FLEXIBLE COUPLING
Die flexible Kupplung schützt den Antriebsstrang des Produkts, indem sie die Fehlanpassung zwischen den Wellen des Elektromotors und des Getriebes ausgleicht.
-
TWIN COUNTER-ROTATING PROPELLERS
Zwei gegenläufige Propeller bieten den höchsten Schub bei einem guten Leistungs-Verhältnis im minimalen Tunneldurchmesser. Dieses System wird in unseren größeren Antrieben für maximale Leistung verwendet. Unsere Baureihe mit gegenläufigen Doppelpropellern ist die bevorzugte Wahl führender Bootsbauer in High-End-Yachten.
Item code: SAC320/300-I-4-H
SAC320 is a reliable thruster with 320 kg of thrust. It can be mounted as a bow or stern thruster and run continuously without downtime.
The unit is designed for horizontal mounting and is suitable for boats between 55-100 feet / 17-31 meters.
An ideal choice for heavy use, such as in commercial or industrial environments where the boat is often in constant operation.
A remote control is a popular accessory. See some of the important product and safety features below.
Bereit zur Installation
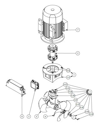
- PDC-301 Antriebsregler
- Variable Frequenzumrichter (VFD)
- Getriebefuß inkl. Propeller und Motorhalter
- Flexible Kupplung
- AC Motor
- EMC Filter
System Überblick

S-Link™
Low Harmonic VFDs
- Hält das elektrische Netzwerk sauber
- Reduziert das Risiko von Störungen
-
Vermeidet Schäden an anderen Geräten
-
Vermeidet Interferenzen mit Kommunikationsgeräten
-
Reduzierter Bedarf an Überdimensionierung der Generatoren
PDC-301 Antriebsregler

-
Kommunikation mit VFD über Modbus-Verbindung
-
Im Lieferumfang enthaltenes 3-adriges Kabel zum Anschluss an VFD-Modbus-Terminals
-
Verbesserte Überwachung und Diagnose vereinfachen die Inbetriebnahme und Fehlerbehebung durch Echtzeit-Datenprotokollierung und Auslesen historischer FA
- Software Updates durch S-Link™
-
A legacy that commits
We’ve lived and worked with the unruly sea for a hundred years. That’s why we develop important features that enables a boat to handle the sea better – that enable you to enjoy your boat, at anchor and at full speed. That is why you wanted a boat, isn’t it?
-
Beautiful engineering
The technology in our solutions is world-class. We know, because we’ve developed it ourselves, just as we manufacture every solution, and follow them until their fixed to a hull, ourselves. This meticulous attention to detail is why your day out always will be better with a Sleipner aboard.
-
Worldwide service
We take pride in our solutions’ function throughout their lifespan. So, we never really let them out of sight, even when they’ve left for distant shores. Our global network is there to ensure continuous optimal function. You know what you get with a Sleipner, today and tomorrow.